L型三通球閥 | Q44F
L型三通球閥 產品說明
L型三通球閥對管道流向的切換。三通球閥Q44F廣泛適用于水、油、氣、硝酸類、醋酸類多種介質。
L型三通球閥 技術參數
| 公稱壓力 PN(MPa) | 殼體試驗 (MPa) | 密封試驗 (MPa) | 氣密試驗 (MPa) |
|---|---|---|---|
| 1.6 | 2.4 | 1.76 | 0.6 (MPa) |
| 2.5 | 3.75 | 2.75 | |
| 4.0 | 6.0 | 4.4 | |
| CLASS150 | 3.0 | 2.2 | |
| 適用工況 | 適用介質 | 水、油品、氣等非腐蝕介質和酸堿腐蝕介質 | |
| 適用溫度 | -28~350℃ | ||
| 應用規范 | 連接法蘭 | JB79-59 GB9113、 HG20592-97、 ANSI B16.5 | |
| 檢驗試驗 | JB/T 9092-99 、API598 | ||
L型三通球閥 零件參數
| 零件名稱 | 國標材質 | 美標材質 |
|---|---|---|
| 閥體、閥蓋 | WCB | A216-WCB |
| 密封圈 | PTFE、對位聚苯 | PTFE、對位聚苯 |
| 球體 | 1Cr18Ni9Ti | SS 304 |
| 閥座、閥桿 | 2Cr13 | A246-416 |
| 雙頭螺栓 | 35CrMoA | A193-B7 |
L型三通球閥 介質流向示意圖
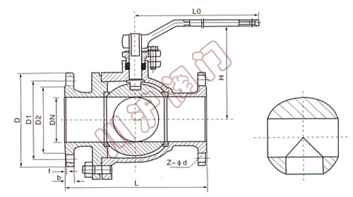
L型三通球閥 結構尺寸圖
L型三通球閥 連接尺寸
| 型號 | 公稱通徑 DN(mm) | 尺寸(mm) | |||||||||
|---|---|---|---|---|---|---|---|---|---|---|---|
| L | L2 | D | D1 | D2 | b | f | Z-d | H | W | ||
| Q44F-16C | 15 | 150 | 72 | 95 | 65 | 45 | 14 | 2 | 4-14 | 95 | 130 |
| 20 | 160 | 80 | 105 | 75 | 55 | 14 | 2 | 4-14 | 110 | 130 | |
| 25 | 180 | 90 | 115 | 85 | 65 | 14 | 2 | 4-18 | 120 | 140 | |
| 32 | 200 | 100 | 135 | 100 | 78 | 16 | 2 | 4-18 | 144 | 180 | |
| 40 | 220 | 110 | 145 | 110 | 85 | 16 | 3 | 4-18 | 152 | 220 | |
| 50 | 240 | 120 | 160 | 125 | 100 | 16 | 3 | 4-23 | 182 | 220 | |
| 65 | 260 | 130 | 180 | 145 | 120 | 16 | 3 | 4-18 | 193 | 240 | |
| 80 | 280 | 140 | 195 | 160 | 135 | 20 | 3 | 8-18 | 217 | 270 | |
| 100 | 320 | 160 | 215 | 180 | 155 | 20 | 3 | 8-18 | 245 | 350 | |
| 125 | 380 | 190 | 245 | 210 | 185 | 22 | 3 | 8-18 | 282 | 500 | |
| 150 | 440 | 220 | 280 | 240 | 210 | 24 | 3 | 8-23 | 319 | 600 | |
| 200 | 550 | 260 | 335 | 295 | 265 | 26 | 3 | 12-23 | 380 | 1000 | |
| 250 | 670 | 310 | 405 | 355 | 320 | 30 | 3 | 12-25 | 460 | 1400 | |
| 300 | 720 | 370 | 460 | 410 | 375 | 30 | 3 | 12-25 | 520 | 1800 | |
